请输入您要查询的字词:

 

单词 Darlington pair
释义
Darlington pair

Electronics and Electrical Engineering
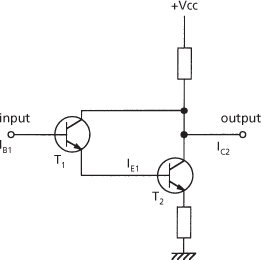
  • A compound connection of two bipolar junction transistors that operates as if it were a single transistor with an extremely high forward-current transfer ratio. The input signal is applied to the base of transistor T1 and the emitter current supplies the input to transistor T2 (see diagram). In normal transistor operation

    IC=αIE

    where α (the alpha current factor) is near unity; as a result the collector current IC1 is approximately equal to the emitter current IE1 and

    IE1=β1IB1.

    β1 is the beta current gain factor and IB1 the base current. In transistor T2 the collector current IC2 is given by

    IC2=β2IB2=β1β2IB1

    If the transistors are matched, i.e.

    β1=β2

    the overall beta current gain of the combination is given by the square of the value for a single transistor.

    Darlington pair

    Darlington pair


随便看

 

科学参考收录了60776条科技类词条,基本涵盖了常见科技类参考文献及英语词汇的翻译,是科学学习和研究的有利工具。

 

Copyright © 2000-2023 Sciref.net All Rights Reserved
京ICP备2021023879号 更新时间:2025/10/16 13:02:30