请输入您要查询的字词:

 

单词 oscillator
释义
oscillator

Physics
  • An electronic device that produces an alternating output of known frequency. If the output voltage or current has the form of a sine wave with respect to time, the device is called a sinusoidal (or harmonic) oscillator. If the output voltage changes abruptly from one level to another (as in a square wave or sawtooth waveform) it is called a relaxation oscillator. A harmonic oscillator consists of a frequency-determining circuit or device, such as a resonant circuit, maintained in oscillation by a source of power that by positive feedback also makes up for the resistive losses. In some relaxation oscillators the circuit is arranged so that in each cycle energy is stored in a reactive element (a capacitor or inductor) and subsequently discharged over a different time interval. See also multivibrator.


Computer
  • An electronic circuit that switches back and forth between states. Oscillators are mainly used to provide clock signals or a frequency reference, in which applications they are normally crystal controlled. A specialized form is the VCO (voltage controlled oscillator) in which the frequency may be modified within limits by a control voltage, the free-running frequency being determined by external components.


Electronics and Electrical Engineering
  • A circuit that converts direct-current power into alternating-current power at a frequency that is usually greater than can be achieved by rotating electromechanical alternating-current generators. Application of the direct-voltage supply to the circuit is usually sufficient to cause it to oscillate and for the oscillations to be maintained until the direct voltage is switched off.

    There are two broad categories of oscillator: harmonic oscillators generate essentially sinusoidal waveforms and contain one or more active circuit elements continuously supplying power to the passive components; relaxation oscillators are characterized by nonsinusoidal waveforms, such as sawtooth waveforms, and the switched exchange of electrical energy between the active and passive circuit elements.

    A simple harmonic oscillator consists essentially of a frequency-determining device, such as a resonant circuit, and an active element that supplies direct power to the resonant circuit and also compensates for damping due to resistive losses. In the case of a simple L-C circuit, application of a direct voltage causes free oscillations in the circuit that decay because of the inevitable resistance in the circuit (see damped). In the absence of the resistance no damping would occur and the free oscillations would continue at a constant amplitude until the direct voltage was removed. The active element in an oscillator can be considered as supplying a negative resistance of sufficient value to compensate for the positive resistance; consequently the complete oscillator contains effectively zero resistance and when shocked will oscillate continuously.

    The effective negative resistance is provided either by a device, such as a unijunction transistor, that exhibits a negative-resistance portion of its characteristic or by employing positive feedback of power in order to overcome the damping. Any particular oscillator may be studied from the negative-resistance approach or from a feedback approach. In the latter case internal positive feedback is considered to be present in the negative-resistance device. Usually negative-resistance oscillators are those that contain a device such as a unijunction transistor or tunnel diode (Fig. a), operated in the negative-resistance portion of the characteristic determined by the applied voltage, VA, and external source resistance, Rs.

    oscillator

    (a) Negative-resistance oscillator

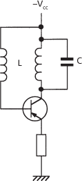
    Feedback oscillators are those that employ external positive feedback. An inherent phase shift of 180° occurs between the base and collector of the common-emitter connection shown in Fig. b. Various types of feedback circuit are used in order to provide the necessary counterbalancing phase-shift. Transformer coupling is shown in the diagram; the resonant circuit is formed by the transformer primary L and the capacitor C.

    oscillator

    (b) Common-emitter oscillator with transformer feedback

    The frequency-determining device may consist of a component, such as a piezoelectric or magnetostrictive crystal, that converts mechanical stress into electrical impulses; alternatively such a device may be coupled to the resonant circuit to prevent frequency drift. Colpitt’s oscillator and the phase-shift oscillator are shown in Figs. c and d.

    oscillator

    (c) Colpitt’s oscillator: common emitter (d) Phase-shift oscillator

    http://electronics.howstuffworks.com/oscillator.htm An introduction to oscillators, on the howstuffworks website


随便看

 

科学参考收录了60776条科技类词条,基本涵盖了常见科技类参考文献及英语词汇的翻译,是科学学习和研究的有利工具。

 

Copyright © 2000-2023 Sciref.net All Rights Reserved
京ICP备2021023879号 更新时间:2025/10/16 12:15:52