请输入您要查询的字词:

 

单词 current divider
释义
current divider

Electronics and Electrical Engineering
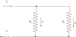
  • A circuit that takes an input current (IX) and produces an output current (IY) that is a predetermined fraction of the input. This is achieved by placing two resistances in parallel: one (RY) in the output branch, the other (RB) on a branch that bypasses the output. The output current is given by the formula

    IY=RBRY+RBIX

    current divider

    Current divider


随便看

 

科学参考收录了60776条科技类词条,基本涵盖了常见科技类参考文献及英语词汇的翻译,是科学学习和研究的有利工具。

 

Copyright © 2000-2023 Sciref.net All Rights Reserved
京ICP备2021023879号 更新时间:2025/10/16 16:34:40