请输入您要查询的字词:

 

单词 voltage divider
释义
voltage divider

Physics
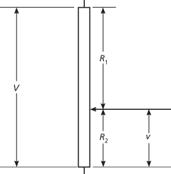
  • A resistor or a chain of resistors connected in series that can be tapped at one or more points to obtain a known fraction of the total voltage across the whole resistor or chain. In the illustration, V is the total voltage across the divider and v is required voltage, then

    v/V=R2/(R1+R2).

    voltage divider

    Voltage divider.


Electronics and Electrical Engineering
  • See potential divider.


随便看

 

科学参考收录了60776条科技类词条,基本涵盖了常见科技类参考文献及英语词汇的翻译,是科学学习和研究的有利工具。

 

Copyright © 2000-2023 Sciref.net All Rights Reserved
京ICP备2021023879号 更新时间:2026/4/24 12:36:28