请输入您要查询的字词:

 

单词 bootstrapping
释义
bootstrapping

Mathematics
  • A process, due to Bradley Efron, of generating confidence intervals for statistics which has the advantage of not making assumptions about the underlying distribution of the population. It involves taking repeated random samples from the actual sample of observations which has been taken and producing confidence intervals for the statistic based on the distribution of the statistic in that process. Because it involves large numbers of repetitions of the resampling process it is dependent on computer power.


Electronics and Electrical Engineering
  • A technique used in a variety of applications in which a capacitor – the bootstrap capacitor – is used to provide 100% positive feedback for alternating currents across an amplifier stage of unity gain or less. Bootstrapping is used for control of the output signals by using the positive feedback to control the conditions in the input circuit in a desired manner.

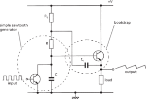
    Bootstrapping is commonly used in circuits that generate a linear timebase, particularly in a sawtooth generator. A simple sawtooth generator consists of a capacitor that is charged by means of an input load resistor and discharged by a periodic step voltage. As the capacitor is charged, the voltage increases exponentially and as the voltage increases, that across the input load (and hence the charging current) drops correspondingly. The output is approximately linear provided that only a small portion of the charging characteristic is used. The linearity may be improved by using a bootstrap circuit to maintain a constant charging current. A typical circuit is shown in Fig. a. The output is taken from an emitter follower, capacitively coupled via the bootstrap capacitor C1 to the input load resistor R. As the output voltage rises, the voltage at the node between R and R1 also rises; the voltage across R and hence the charging current is therefore maintained substantially constant.

    Bootstrapping may also be used in MOS logic circuits in order to optimize the voltage swing between the high and low logic levels. A typical bootstrapped circuit is shown in Fig. b. The output voltage Vo at point X is high when a low logic level is applied to the gate of the transistor Ts and is determined by the value of the gate and threshold voltages of the transistor T1. In the absence of the bootstrap capacitor, C, and the load transistor, TL, the gate voltage VG1 of T1 is equal to VDD and

    Vo=VDDVT

    where VT is the threshold voltage. If a load transistor TL is present then

    Vo=VDD2VT

    If VG1 can be increased to a value greater than VDD, then Vo can also rise to a maximum possible value equal to VDD. Bootstrapping is used to achieve this effect. A bootstrap capacitor, C, is connected between points X and Y (Fig. b). As Vo rises from the low logic level, VG1 also rises because of the positive feedback provided by C. This causes TL to switch off and point B is thus isolated from the supply bus. VG1 can therefore rise to a value greater than VDD and as VG1 increases, Vo also increases until it reaches VDD. The total voltage swing at X is therefore optimized.

    bootstrapping

    (a) Bootstrapping in a sawtooth generator

    bootstrapping

    (b) Bootstrapping in MOS circuits

    Bootstrapping is also used in high input impedance amplifiers, such as an emitter follower or a field-effect transistor stage, in order to maximize the a.c. input impedance. The a.c. input signal to the base or gate electrode can tend to flow through the bias resistors used to provide the d.c. bias for the base or gate unless bootstrapping is provided to prevent this effect.


Geology and Earth Sciences
  • In statistics, an approach to estimating the robustness or degree of error of a statistic when the distribution from which the statistic is drawn is unknown. An estimate of the distribution is constructed based on the data of the sample being analysed, often by repeatedly random sampling from the data itself and recalculating the statistic in order to produce a statistic distribution.


随便看

 

科学参考收录了60776条科技类词条,基本涵盖了常见科技类参考文献及英语词汇的翻译,是科学学习和研究的有利工具。

 

Copyright © 2000-2023 Sciref.net All Rights Reserved
京ICP备2021023879号 更新时间:2025/12/18 21:27:27