请输入您要查询的字词:

 

单词 BiCMOS
释义
BiCMOS

Electronics and Electrical Engineering
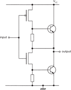
  • Describing integrated circuits that contain both bipolar junction transistors and complementary MOS transistors (CMOS). The combination of both types of device on the same chip has a wide variety of functions and allows the advantages of both processes to be exploited. Bipolar circuits are inherently faster than CMOS circuits and have much better analogue performance. Bipolar transistors are preferred for operational amplifiers, comparators, multipliers, and high-speed logic circuits, such as emitter-coupled logic (ECL). CMOS circuits are preferred where low power dissipation and high packing densities are required, as with memory counters, registers, and random logic. Merging the two types of circuit allows combinations of different circuits to be formed on the same chip. It also allows the production of circuits where the characteristics of both types of device are needed, for example mixed analogue-digital circuits or logic circuits where part of the circuit demands the high speed of bipolar logic, such as fast clock circuits or input/output buffers. A merged logic output buffer is shown in the diagram. BiCMOS circuits provide improved system performance and a reduction in the number of components, hence reduced chip sizes and lower costs.

    BiCMOS

    BiCMOS output buffer


随便看

 

科学参考收录了60776条科技类词条,基本涵盖了常见科技类参考文献及英语词汇的翻译,是科学学习和研究的有利工具。

 

Copyright © 2000-2023 Sciref.net All Rights Reserved
京ICP备2021023879号 更新时间:2026/4/24 10:39:10