请输入您要查询的字词:

 

单词 autotransformer
释义
autotransformer

Physics
  • A transformer that has a single winding, which is tapped at different points to provide both the primary and secondary circuits.


Electronics and Electrical Engineering
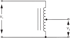
  • A transformer that has a single winding, tapped at intervals, rather than two or more independent windings. Part of the winding is thus common to both primary and secondary circuits (see diagram). The voltage V2 across a tapped section is related to the total applied voltage V1 by

    V2V1n2n1

    where n2 is the number of turns in the tapped section and n1 the total number in the winding.

    autotransformer

    Single-phase autotransformer


随便看

 

科学参考收录了60776条科技类词条,基本涵盖了常见科技类参考文献及英语词汇的翻译,是科学学习和研究的有利工具。

 

Copyright © 2000-2023 Sciref.net All Rights Reserved
京ICP备2021023879号 更新时间:2026/1/20 12:54:40