请输入您要查询的字词:

 

单词 angle of friction
释义
angle of friction

Mathematics
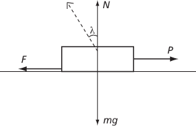
  • The angle λ‎ such that tan λ‎ = μ‎s, where μ‎s is the coefficient of static friction. Consider a block resting on a horizontal plane, as shown in the figure. In the limiting case when the block is about to move to the right on account of an applied force of magnitude P, N = mg, P = F, and F = μ‎sN. Then the contact force, whose components are N and F, makes an angle λ‎ with the vertical.

    angle of friction

    λ‎ is the angle of friction


随便看

 

科学参考收录了60776条科技类词条,基本涵盖了常见科技类参考文献及英语词汇的翻译,是科学学习和研究的有利工具。

 

Copyright © 2000-2023 Sciref.net All Rights Reserved
京ICP备2021023879号 更新时间:2025/10/16 16:37:59