请输入您要查询的字词:

 

单词 state diagram
释义
state diagram

Computer
  • 1. A graphical version of a state table.

    2. See state-transition diagram.


Electronics and Electrical Engineering
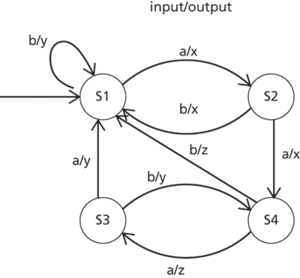
  • A diagram that represents the relationship between states in state space control. For discrete state systems, each state is explicitly represented by a circle with an appropriate name or identifier, while state transitions are represented by arrows connecting states, labelled with the relevant inputs and outputs.

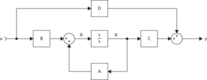
    A state diagram for dynamical state systems uses boxes to represent complex transfer functions, and circles to represent simpler ways to combine signals, such as summation. These are connected by arrows showing the continuous signal flow. In these diagrams the states are implicit.

    state diagram

    State diagram – discrete

    state diagram

    State diagram – dynamic


随便看

 

科学参考收录了60776条科技类词条,基本涵盖了常见科技类参考文献及英语词汇的翻译,是科学学习和研究的有利工具。

 

Copyright © 2000-2023 Sciref.net All Rights Reserved
京ICP备2021023879号 更新时间:2025/10/16 20:06:57