请输入您要查询的字词:

 

单词 inverting amplifier
释义
inverting amplifier

Electronics and Electrical Engineering
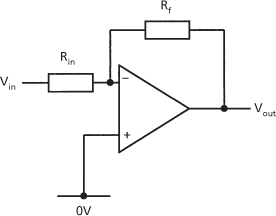
  • A configuration of an operational amplifier (see diagram) where the gain G of the amplifier is given by −(Rf/Rin). Compare noninverting amplifier.

    inverting amplifier

    Inverting amplifier


随便看

 

科学参考收录了60776条科技类词条,基本涵盖了常见科技类参考文献及英语词汇的翻译,是科学学习和研究的有利工具。

 

Copyright © 2000-2023 Sciref.net All Rights Reserved
京ICP备2021023879号 更新时间:2025/10/16 14:15:14