请输入您要查询的字词:

 

单词 Gilbert cell
释义
Gilbert cell

Electronics and Electrical Engineering
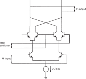
  • A transistor circuit, devised by Barrie Gilbert, that is based on coupled long-tail pair circuits and performs four-quadrant multiplication of two input signals; it is used frequently as a mixer circuit, in heterodyne radio receivers for example (see diagram).

    Gilbert cell

    Gilbert cell using bipolar junction transistors


随便看

 

科学参考收录了60776条科技类词条,基本涵盖了常见科技类参考文献及英语词汇的翻译,是科学学习和研究的有利工具。

 

Copyright © 2000-2023 Sciref.net All Rights Reserved
京ICP备2021023879号 更新时间:2026/4/24 12:54:13