请输入您要查询的字词:

 

单词 ECL
释义
ECL

Physics
  • See emitter-coupled logic.


Computer
  • A high-speed logic family available in the form of integrated circuits based on bipolar transistors. The fast switching speeds are achieved by means of a design that avoids driving the transistors into saturation.

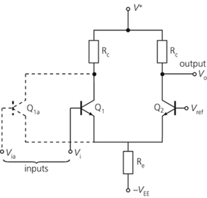
    The basic circuit element is based on a difference amplifier, as shown in the diagram (ignoring dashed lines). In this symmetrical circuit the combined emitter current flowing through the resistor Re is substantially constant. If the voltage Vi is equal to Vref then each transistor, Q1 and Q2, conducts by the same amount and the output is at Vref. If Vi is increased above Vref by more than about 0.1 volts, Q1 will be turned on while Q2 turns off. As a result Vo increases to V+. Similarly if Vi is decreased below Vref by more than about 0.1 volts, Vo will decrease to some value largely determined by VEE, Re, and Rc.

    ECL

    ECL. Two-input ECL OR gate

    By placing transistors in parallel with Q1, as shown by the dashed lines, an ECL OR gate is produced. Additional buffering is required on the gate output to provide the correct voltage swings for subsequent gate inputs.

    ECL provided the highest speed of any silicon-based logic family but its high power dissipation and the need for high levels of integration mean that it has been superseded by CMOS technology.


Electronics and Electrical Engineering
  • See emitter-coupled logic.


随便看

 

科学参考收录了60776条科技类词条,基本涵盖了常见科技类参考文献及英语词汇的翻译,是科学学习和研究的有利工具。

 

Copyright © 2000-2023 Sciref.net All Rights Reserved
京ICP备2021023879号 更新时间:2025/10/16 19:58:44