请输入您要查询的字词:

 

单词 piezoelectric oscillator
释义
piezoelectric oscillator

Physics
  • See piezoelectric effect.


Electronics and Electrical Engineering
  • An oscillator that utilizes a piezoelectric crystal in order to determine the frequency. Such oscillators are very stable. If an alternating electric field is applied across a suitable direction of a piezoelectric crystal, mechanical vibrations result (see piezoelectric effect). If the frequency corresponds to a natural frequency of vibration of the crystal, substantial mechanical vibrations result. These in turn produce an alternating electric field across the crystal. The mechanical vibrations suffer little from damping and have a sharp resonance peak; piezoelectric crystals are therefore suitable for use as frequency standards.

    A suitably cut piezoelectric crystal is mounted between the plates of a capacitor in order to apply the alternating voltage. The capacitor is usually formed by sputtering a metallic film on the large faces of the crystal in order to minimize the mechanical loading. The crystal is supported by lightweight supports that touch it at a mechanical node. In order to produce extremely high frequency stability the crystal can be supported in vacuo; for the highest frequency stability, required for the control of powerful frequency transmitters, the crystal is placed in an electrically heated oven, thermostatically controlled to within 0.1 kelvin. In the latter case, where the temperature coefficient of frequency of oscillation is required to be substantially zero, a T-cut crystal is usually used. This is cut as a thin plate whose faces contain the X-axis and a line in the YZ-plane inclined at an angle to the Z-axis. This cut exhibits lower piezoelectric activity than X- or Y-cuts.

    Piezoelectric crystals can be connected in various ways to an oscillator circuit. The circuits used may be classified into two main types.

    In the crystal oscillator the crystal replaces the tuned circuit in the oscillator and thus provides the resonant frequency (Fig. a); the Pierce crystal oscillator is an example (Figs. b, c).

    piezoelectric oscillator

    (a) Basic piezoelectric oscillator

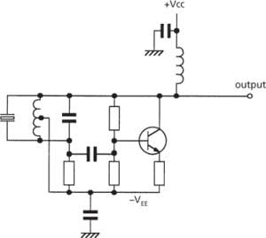
    piezoelectric oscillator

    (b) Pierce crystal oscillator with crystal between base and collector

    piezoelectric oscillator

    (c) Pierce crystal oscillator using a FET

    In the crystal-controlled oscillator the crystal is coupled to the oscillator circuit, which is tuned approximately to the crystal frequency. The crystal controls the oscillator frequency by pulling the frequency to its own natural frequency and thus preventing frequency drift. The Hartley crystal-controlled oscillator is an example (Fig. d).

    piezoelectric oscillator

    (d) Harley crystal-controlled oscillator


随便看

 

科学参考收录了60776条科技类词条,基本涵盖了常见科技类参考文献及英语词汇的翻译,是科学学习和研究的有利工具。

 

Copyright © 2000-2023 Sciref.net All Rights Reserved
京ICP备2021023879号 更新时间:2025/12/13 16:54:03