请输入您要查询的字词:

 

单词 distributed amplifier
释义
distributed amplifier

Electronics and Electrical Engineering
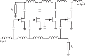
  • A multistage amplifier, operating at high frequency, in which the inputs and outputs of each stage are taken from tapped transmission lines. The diagram is a schematic of a distributed FET amplifier using artificial L-C transmission lines at input and output; the amplifying stages are distributed along the transmission lines. The phase velocity along each transmission line must be arranged so that the outputs from each stage add in phase. Distributed amplifiers are very wide bandwidth, providing a reasonable gain up to the transition frequency fT of each of the transistor stages. In practice, losses and parasitic reactances in the amplifiers and transmission lines limit the upper frequency.

    distributed amplifier

    Distributed FET amplifier


随便看

 

科学参考收录了60776条科技类词条,基本涵盖了常见科技类参考文献及英语词汇的翻译,是科学学习和研究的有利工具。

 

Copyright © 2000-2023 Sciref.net All Rights Reserved
京ICP备2021023879号 更新时间:2025/10/16 20:16:07